棒状系列
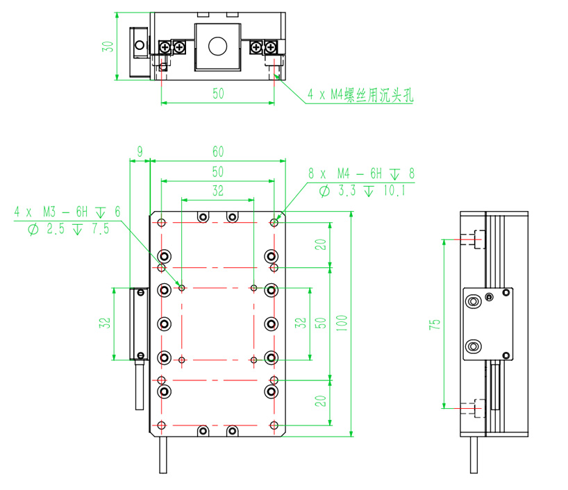
KSR60-40
- 产品概述
- 型号说明
- 文件下载
KSR系列:
-大推力、高刚性、长行程
-磁通量大,可提供较大的持续力和峰值力 -结构坚固,刚性高,能承受更大的负载
-CNC加工中心、激光切割/焊接、冲压机、注塑机、自动化 物流线等。
-空间紧凑、轻负载、短行程 -设计紧凑,节省空间
-齿槽效应,运动平滑,噪音低
-拥有极高的加减速,动态响应速度快
-光学调整架、显微镜平台、半导体检测设备、医疗设备、 食品、包装机械、阀门控制、小型点胶机、样品分配器。


